Thomas Edison's 15 Inventions that Changed the World

Thomas Edison's 15 Inventions that Changed the World

Categories: History | Technology

On February 11, 1847, Thomas Alva Edison was born in Milan, Ohio, an incredibly successful inventor, scientist and businessman who received 1,093 patents during his life.

Edison registered his first patent at the age of 22. Later, in his laboratory in Menlo Park, New Jersey, he worked so productively as "hot cakes" creating revolutionary novelties that he once promised to issue one small invention every 10 days and one large one every six months. And although many of the discoveries attributed to him were created by other people, in any case, Edison played a significant role in shaping the modern world. And today we recall the most important technical achievements of the American engineer, which had the greatest impact on the modern world.

Thomas Edison's 15 Inventions that Changed the World

Thomas Edison's 15 Inventions that Changed the World 1. Electric vote counter in elections.

It was Edison's first patent. The device allowed voters to press the "yes" or "no" buttons instead of writing on paper. Unfortunately, there was no demand for this device — as it turned out, when using it, politicians could no longer so shamelessly deceive those present and, by manipulating the results, persuade colleagues to change their opinions. Parliament abandoned the invention in favor of the usual written account.

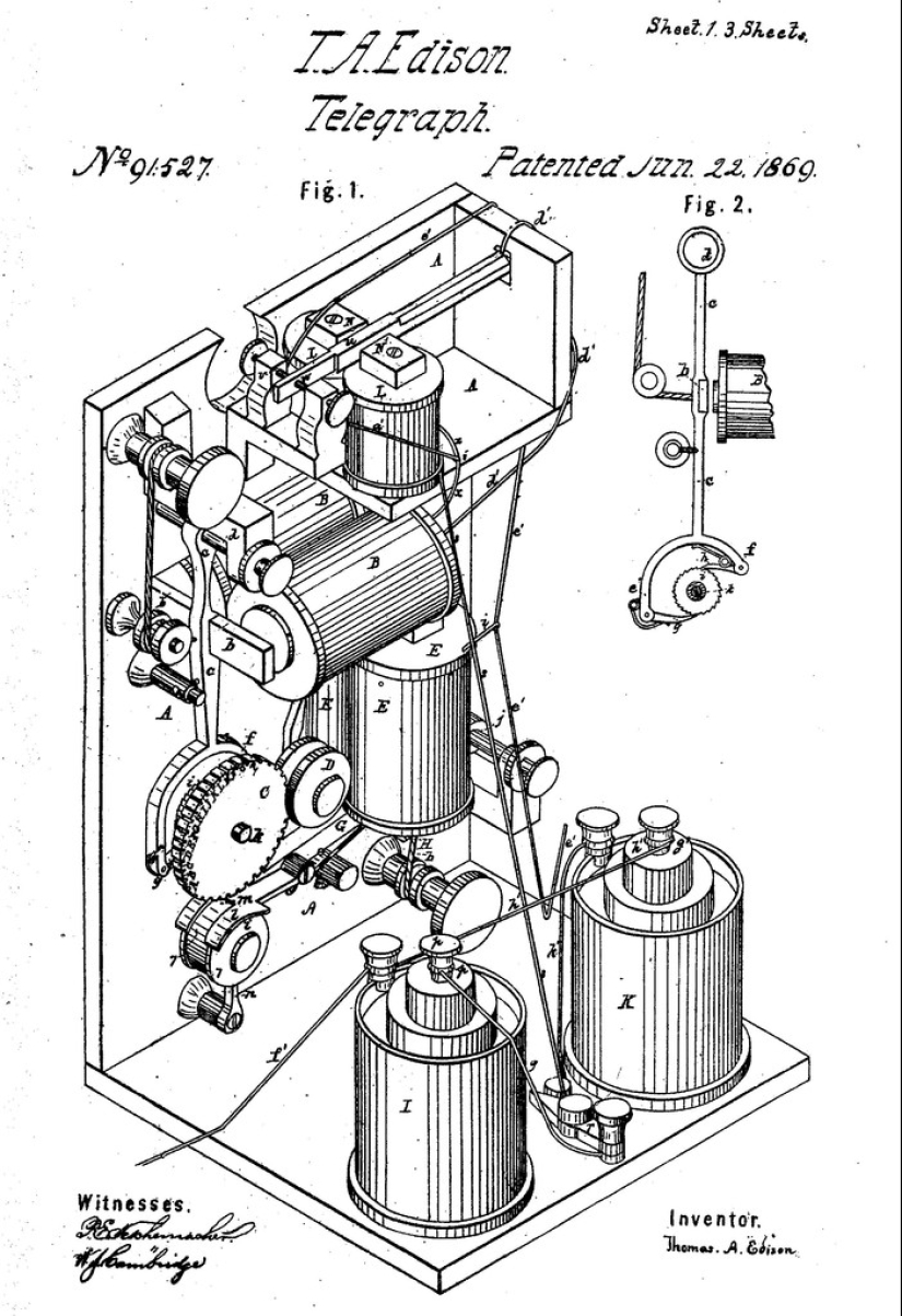
Thomas Edison's 15 Inventions that Changed the World 2. Automatic telegraph.

To improve the telegraph, Edison created another one — based on the perforated boron he invented himself — for which a person was not needed to type a message at the other end. This new technology has increased the number of words transmitted per minute from 25-40 to 1000! Edison also became the inventor of the "talking telegraph".

Thomas Edison's 15 Inventions that Changed the World 3. Electric fence.

The predecessor of the perforated boron, which made holes in telegraphs, was an electric drill, creating a stencil for the writer, which could be used to stamp ink on paper and make duplicates.

Thomas Edison's 15 Inventions that Changed the World 4. Phonograph.

The phonograph recorded and reproduced the audible sounds first with paraffin paper, and then with a metal foil on the cylinder. Edison created many versions over several years, improving each of the models more and more.

Thomas Edison's 15 Inventions that Changed the World 5. Coal phone.

Edison perfected the weak point of Alexander Bell's phone — the microphone. The original version used a carbon rod, but Edison decided to use a carbon battery, which significantly increased the stability and range of the signal.

Thomas Edison's 15 Inventions that Changed the World 6. Incandescent lamp with carbon filament.

The Edison incandescent lamp with a carbon filament represented the first commercially profitable source of electric lighting. Previous versions were not so powerful and too expensive materials, such as platinum, were used for their manufacture.

Thomas Edison's 15 Inventions that Changed the World 7. Electric lighting system.

Edison designed his electric lighting system to maintain the same amount of electricity throughout the device. He installed his first permanent station in Lower Manhattan.

Thomas Edison's 15 Inventions that Changed the World 8. Electric generator.

Edison designed a device to control the supply of electricity between devices — this idea was used in many of his creations, such as an incandescent lamp.

Thomas Edison's 15 Inventions that Changed the World 9. Motograph (loudspeaker phone).

This device lowered electric currents from high to low, which made it possible to transmit voice sounds over long distances and at a higher volume. Another Edison invention, the carbon rheostat, helped create the motograph. Edison's loudspeaker telephone was used in England for several years.

Thomas Edison's 15 Inventions that Changed the World 10. Technology of using fuel cells.

Edison became one of many in a long chain of inventors who tried to create a modern fuel cell — a device that would produce energy from the reaction between hydrogen and oxygen, leaving only water as a by-product.

Thomas Edison's 15 Inventions that Changed the World 11. Universal printer.

Although Edison did not invent the exchange telegraph machine, he improved his own telegraph technology to create a universal printer that worked faster than the existing version.

Thomas Edison's 15 Inventions that Changed the World 12. Magnetic iron ore separator.

Edison designed a device that separated magnetic and non-magnetic materials. In this way, it was possible to separate iron ore from unsuitable low-grade ores. This development later formed the basis of milling technology.

Thomas Edison's 15 Inventions that Changed the World 13. Kinetoscope.

Edison was looking for a way to create "an instrument that will do for the eye what a phonograph does for the ear." The kinetoscope showed photos in rapid succession, which made it seem as if the image was moving.

Thomas Edison's 15 Inventions that Changed the World 14. Alkaline battery.

Experimenting with an iron-nickel battery, Edison used an alkaline solution, which made it possible to obtain a more "long-lasting" battery. This product subsequently became one of the best-selling.

Thomas Edison's 15 Inventions that Changed the World 15. Cement.

Although cement already existed, Edison perfected its production with a rotary kiln. The inventor's developments, as well as his own company Edison Portland Cement, made this product commercially available.

Post News Article

Recent articles

DIY Edible Christmas Tree
DIY Edible Christmas Tree

New Year's is a time to surprise and delight loved ones not only with gifts but also with a unique presentation of the holiday ...

20 restaurants that went too far in trying to be original
20 restaurants that went too far in trying to be original

It's high time to admit that this whole hipster idea has gone too far. The concept has become so popular that even restaurants have ...

18 ingenious inventions, the authors of which should work in NASA
18 ingenious inventions, the authors of which should work in NASA

There is a perception that people only use 10% of their brain potential. But the heroes of our review, apparently, found a way to ...